上海瑞宋机电设备有限公司|连接器|航空插头|RF 连接器|射频同轴连接器|终端匹配负载|微波器件|射频同轴电缆组件
  • 首 页
  • 产品中心
  • 技术支持
  • 关于瑞宋
  • 信息反馈
  • 联系我们
跳过导航链接。
折叠射频连接器
SMP系列
BMA系列
K系列
SAA系列
SMA系列
SSMA系列
SMB系列
SSMB系列
SMC系列
MCX系列
MMCX系列
N系列
TNC系列
BNC系列
L29系列
转接器
射频组件
传感器用自锁连接器系列
折叠1
1
1
折叠电连接器
电连接器



跳过导航链接。
折叠产品选型指南
射频同轴连接器命名方法
射频同轴连接器选择指南
射频同轴电缆组件的装接方法
国内常用同轴电缆尺寸列表
产品中心射频连接器SMA系列SMA-KFD30等
SMA-KFD30等

 

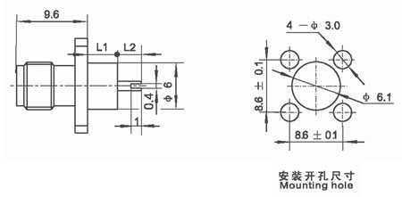
一、外形尺寸

二、详细信息

 

致力于
成为连接器产品解决方案的提供商
Applu Shinning to profrssional interconnect solution supperlier

版权所有:上海瑞宋机电设备有限公司 沪lCP备11010445  点击这里给我发消息

公司介绍 / 技术支持 / 信息反馈 / 联系我们